 |
 |
|
 |
 |
Приводная техника

Вся продукция сертифицирована. Мы будем рады видеть Вас клиентом нашей компании.

|
|
 |
 |
 |
Редукторы двухступенчатые цилиндрические 1Ц2У-100, 1Ц2У-125, 1Ц2У-160, 1Ц2У-200, 1Ц2У-250 |
|
 |
 |
Двухступенчатые цилиндрические редукторы типов 1Ц2У-100, 1Ц2У-125, 1Ц2У-160, 1Ц2У-200, 1Ц2У-250
Техническое описание
Цилиндрические узкие редукторы серии 1Ц2У-100, 1Ц2У-125, 1Ц2У-160, 1Ц2У-200, 1Ц2У-250 предназначены понижать угловые скорости до требуемых значений. Редуктор рассчитан на работу в горизонтальном положении. Входной и выходной валы лежат в одной плоскости. Передаточное отношение можно выбрать из широкого ряда в пределах 8 – 40.
Условия эксплуатации имеют следующие особенности
- редуктор рассчитан на постоянную или переменную нагрузку, при этом направление нагрузки может меняться в любом направлении;
- валы редукторов могут вращаться в разные стороны, при этом основные параметры сохраняются;
- не следует подводить энергию вращения на быстроходный более 1800 об/мин;
- редуктор может эксплуатироваться в различных климатических условиях;
- окружающая атмосфера не должна содержать токопроводящую пыль более 10 мг на один куб.
Редукторы 1Ц2У по умолчанию комплектуются коническими входным и выходным валами. По желанию заказчика возможна замена обоих валов на цилиндрические или полые.
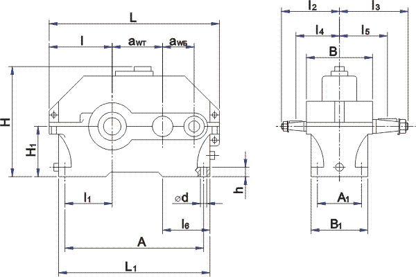
Габаритные и присоединительные размеры


Типоразмер редуктора |
Межосевые расстояния |
L |
L1 |
l |
l1 |
l2 |
l3 |
l4 |
l5 |
l6 |
H не более |
awвых |
awвх |
не более |
- |
- |
- |
- |
- |
- |
- |
1Ц2У-100 |
100 |
80 |
387 |
325 |
136 |
85 |
136 |
165 |
103 |
115 |
- |
230 |
1Ц2У-125 |
125 |
80 |
450 |
375 |
160 |
106 |
145 |
206 |
112 |
136 |
- |
272 |
1Ц2У-160 |
160 |
100 |
560 |
475 |
200 |
136 |
170 |
224 |
132 |
155 |
145 |
345 |
1Ц2У-200 |
200 |
125 |
690 |
580 |
243 |
165 |
212 |
280 |
160 |
190 |
186 |
425 |
1Ц2У-250 |
250 |
160 |
825 |
730 |
290 |
212 |
265 |
335 |
195 |
230 |
224 |
530 |
|
h |
- |
Типоразмер редуктора |
H1 |
c чугун. корп. |
с алюм. корп. |
А |
A1 |
В |
B1 |
d |
1Ц2У-100 |
112 |
— |
20±3 |
290 |
109 |
155 |
145 |
15 |
1Ц2У-125 |
132 |
— |
22±3 |
335 |
125 |
175 |
165 |
19 |
1Ц2У-160 |
170 |
24±4 |
28±4 |
425 |
140 |
206 |
195 |
24 |
1Ц2У-200 |
212 |
30±4 |
— |
515 |
165 |
243 |
230 |
24 |
1Ц2У-250 |
265 |
32±5 |
— |
670 |
218 |
290 |
280 |
28 |
ТЕХНИЧЕСКИЕ ХАРАКТЕРИСТИКИ 1Ц2У-100, 1Ц2У-125, 1Ц2У-160, 1Ц2У-200, 1Ц2У-250
Наименование показателя |
Типоразмер редуктора |
1Ц2У-100 |
1Ц2У-125 |
1Ц2У-160 |
1Ц2У-200 |
1Ц2У-250 |
Передаточные числа |
Группа 1 |
10; 20; 31,5; 40 |
Группа 2 |
8;12,5; 16; 25 |
Фактические передаточные числа |
Группа 1 |
10,32;20,64; 32,55; 40,32 |
10; 20; 31,5;38,37 |
10,32; 20,64; 32,55; 40,32 |
9,76; 20,02; 31,47; 38,98 |
9,94; 20,67; 31,47; 38,4 |
Группа 2 |
8; 12,8; 16; 25,6 |
7,75; 12,18; 15,48; 24,36 |
8; 12,6; 16,0; 25,2 |
8,09; 12,08; 16,6; 24,83 |
8,33; 12,12; 16; 24,54 |
Номинальный крутящий момент на выходном валу при длительной работе с постоянной нагрузкой Н*м |
непрерывный (Н) ПВ=100% |
315 |
630 |
1250 |
2500 |
5000 |
Допускаемый крутящий момент на выходном валу при работе редуктора на повторно-кратковременных режимах. Н*м |
тяжелый (Т) ПВ=40% |
315 |
630 |
1600 |
3150 |
6300 |
средний (С) ПВ=25% |
2000 |
4000 |
8000 |
легкий (Л) ПВ=15% |
2500 |
5000 |
10000 |
Допускаемая радиальная консольная нагрузка. приложенная в середине посадочной части, Н |
входного вала |
непрерывный (Н) ПВ=100% |
500 |
750 |
1000 |
2240 |
3150 |
тяжелый (Т) ПВ=40% |
1150 |
2500 |
3550 |
средний (С) ПВ=25% |
1280 |
2800 |
4000 |
легкий (Л) ПВ=15% |
1450 |
3150 |
4500 |
выходного вала |
непрерывный (Н) ПВ=100% |
4500 |
6300 |
9000 |
12500 |
18000 |
тяжелый (Т) ПВ=40% |
10000 |
14000 |
20000 |
средний (С) ПВ=25% |
11200 |
16000 |
22400 |
легкий (Л) ПВ=15% |
12500 |
18000 |
25000 |
Термическая мощность, кВт |
не лимитирует |
Коэффициент полезного действия, не менее, % |
97 |
Масса редуктора, не более, кг |
с чугунным корпусом |
— |
- |
95 |
170 |
310 |
с алюминиевым корп. |
21 |
31,5 |
57 |
- |
- |
Примечание: Редукторы должны изготавливаться по вариантам сборки по ГОСТ 20373-80 согласно таблице по 2 группам
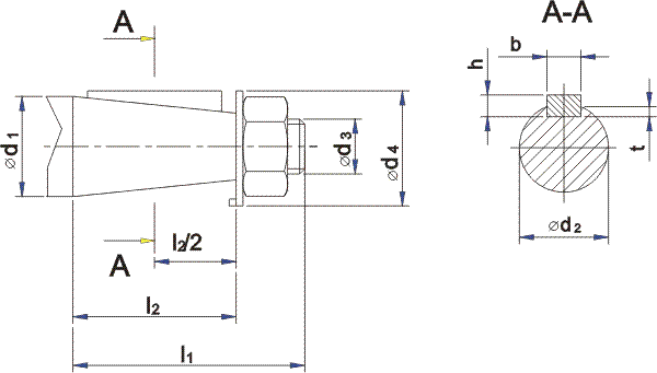
Типоразмер |
Вал |
d1 |
d2 |
d3 |
d4
не более |
l1 |
l2 |
b |
h |
t |
1Ц2У-100
1Ц2У-125 |
быстроходный |
20 |
18,2 |
М12х1,5 |
40 |
50 |
36 |
4 |
4 |
2,5 |
1Ц2У-160
1Ц2У-200
1Ц2У-250 |
25
30
40 |
22,9
27,1
35,9 |
М16х1,5
М20х1,5
М24х2,0 |
45
50
63 |
60
80
110 |
42
58
82 |
5
10 |
5
8 |
3,0
5,0 |
1Ц2У-100
1Ц2У-125
1Ц2У-160
1Ц2У-200
1Ц2У-250 |
тихоходный |
35
45
55
70
90 |
32,10
40,90
50,90
64,75
83,50 |
M20x1,5
М30х2,0
М36х3,0
М48х3,0
М64х4,0 |
50
75
88
100
130 |
80
110
110
140
170 |
58
82
82
105
130 |
6
12
14
18
22 |
6
8
9
11
14 |
3,5
5,0
5,5
7,0
9,0 |
Приводная техника (мотор-редукторы, преобразователи частоты и устройства плавного пуска) отправляется покупателю транспортной компанией. По всем вопросам обращаться в офис.
Мы всегда рады видеть у себя наших старых партнеров и ждем новых.
Доставка во все регионы России!
|
 |
 |
|
|